基于中微爱芯AiP1648 MCU的触摸显示一体化控制解决方案
行业介绍
在智能家电飞速发展的今天,传统控制面板方案正面临成本高、设计繁、开发慢的多重挑战。过去,要实现触摸与显示功能,往往需要“触摸MCU”与“显示驱动”两颗芯片协同工作,而若将触摸检测功能集成于主控MCU,虽然节约了一颗独立芯片的成本,却大量占用了宝贵的I/O口资源与软件算力,导致MCU扩展性受限,系统升级与功能拓展难度增大。
为此,中微爱芯推出新的触摸显示一体化控制方案。其核心器件AiP1648,将高精度触摸检测功能从主MCU中分离,并将其与多段位LED显示驱动一同集成于一颗外部芯片之中。该方案凭借高集成度、低成本、易开发等优势,实现了对主MCU资源与系统整体成本的双重解放,为智能家电面板的设计提供了更优解。
整体解决方案
本方案以AiP1648为核心构建完整的触摸显示控制系统。该芯片将8通道高精度触摸检测与多段位LED显示驱动集成于单芯片,采用IIC通信协议可轻松实现触摸参数配置、状态读取与显示控制。
相比传统双芯片架构,AiP1648通过高度集成设计,显著优化系统成本并简化电路板布局。芯片支持10段7位到13段4位共阴极LED显示,具备8级辉度调节功能,触摸灵敏度、消抖次数等关键参数皆可通过软件灵活设定,适配多样场景需求。
方案采用模块化设计,集成了触摸检测系统、显示驱动模块和标准IIC通信协议,实现与主MCU的高效数据交互。通过精简外围电路与优化系统结构,该方案为各类家电面板提供了一站式、高可靠、易落地的完整解决方案。

AiP1648方案
方案特点
集成度超高:触摸、显示、驱动、通信全集成,外围元件极少,布局更简洁
功能外置化:将触摸检测功能从主MCU中分离,有效释放了MCU的I/O端口资源,提升系统设计的灵活性与可扩展性
显示随心控:支持10段7位到13段4位LED显示,8级辉度可调,明暗随心,视觉效果细腻
蜂鸣器集成:集成有源蜂鸣器驱动程序,提示音效轻松实现,交互体验更完整
多键触控可调:8个触摸按键通道,支持多键同时检测,触摸阈值、消抖次数、噪声值均可软件配置,适应不同场景
通信更高效:采用标准IIC协议,与主MCU轻松对话,配置灵活、响应迅速
抗干扰高可靠:高抗干扰设计,告别误触,运行更稳定
CS:10V静态、3V动态
EFT:4000V-100KHz/5KHz
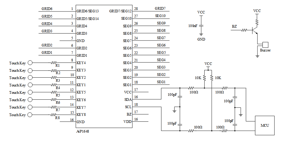
典型应用图

AiP1648典型应电路图
方案实物
AiP1648demo板PCB图
应用领域
LED显示面板和触摸按键场合,例如炸锅,微波炉,电磁炉,热水器,风扇等家电产品。
芯片资源
中微爱芯AiP1648具体参数如下表所示:

结语
AiP1648延续了独特的"触摸+显示"二合一架构,为成本敏感型应用提供了极具竞争力的解决方案。
如需了解更多产品资讯,请联系我司授权代理商或销售工程师。
关于中微爱芯
无锡中微爱芯电子有限公司成立于2004年,是一家以集成电路设计、测试、方案开发、销售和服务为主的高新技术企业,是工信部认定的集成电路设计企业,是国家鼓励的重点集成电路设计企业。产品已形成MCU、LCD显示、LED显示、通用逻辑、信号链、马达&栅驱动、功率器件、电源、音响、遥控器、通信、配套等多个系列几千款产品,覆盖消费电子、网通产品、工业设备、新能源、汽车电子等多个领域。
梦金指南网



